
SERIES NPSH-593, WITH SLOTS

Retractable pin, easy door removal.
Modifications available upon application requirements.
Hinge to be mounted by welding, or fastened using M5 or No.10 machine screws.
Material 304 Stainless Steel.

SERIES NPSH-594, WITH HOLES

Retractable pin, easy door removal.
Modifications available upon application requirements.
Hinge to be mounted by welding, or fastened using M5 or No.10 machine screws.
Material 304 Stainless Steel.

NHQR SERIES NO HOLES

Retractable hinge used with female leaf for ease of release.
Left handed shown.
Open Tab for Product Break Down (NHQR SERIES NO HOLES )
304 Stainless Steel, No Holes | |||||||||
Part # | Leaf Thickness | Width | Pin Diameter | Length | Drawings | CAD |

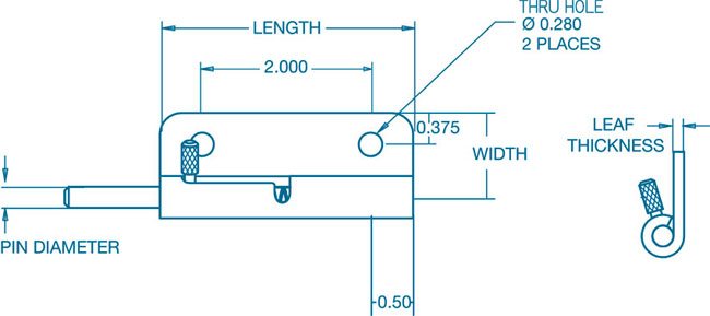
NHQR SERIES WITH HOLES

Retractable hinge used with female leaf for ease of release.
Open Tab for Product Break Down (NHQR SERIES WITH HOLES )
304 Stainless Steel, With Holes | |||||||||
Part # | Leaf Thickness | Width | Pin Diameter | Length | Drawings | CAD |

NHQR SERIES WITH STUDS

Retractable hinge used with female leaf for ease of release.
Open Tab for Product Break Down (NHQR SERIES WITH STUDS )
304 Stainless Steel, With Studs | |||||||||
Part # | Leaf Thickness | Width | Pin Diameter | Length | Drawings | CAD |

QUICK RELEASE DOUBLE PIN HINGE

FEATURE
Normont’s quick release hinge facilitates door removal.
This unique product combines a latch and a hinge. There is a pair of spring-loaded knobs or a single knob which pull towards the center to release the door from the keeper.
Simple installation keeps assembly cost down.

QUICK RELEASE DOUBLE PIN HINGE, WITH HOLES

FEATURE
NMTs quick release hinge facilitates door removal.
This unique product combines a latch and a hinge. There is a pair of spring-loaded knobs or a single knob which pull towards the center to release the door from the keeper.
Simple installation keeps assembly cost down.

QUICK RELEASE HINGE, NO HOLES

There is a single knob which pulls towards the center to release the door from the keeper.
All Normont quick release fasteners are manufactured to precise tolerances ensuring end and side play are kept to a minimum.
Open Tab for Product Break Down (QUICK RELEASE HINGE, NO HOLES)
304 Stainless Steel | ||||||||||
Part # | Holes | Leaf Thickness | Width | Pin Diameter | Length | Drawings | CAD | |||
SLSS06175-I-RM | Right Male Recessed Pin | NO | 0.050 | 1.000 | 0.250 | 1.750 | [.stp] | |||
SLSS06175-I-RF | Right Female | NO | 0.050 | 1.000 | 1.750 | [.stp] | ||||
SLSS06175-I-LM | Left Male Recessed Pin | NO | 0.050 | 1.000 | 0.250 | 1.750 | [.stp] | |||
SLSS06175-I-LF | Left Female | NO | 0.050 | 1.000 | 1.750 | [.stp] | ||||
SLSS06175-L | Left handed (Male) | NO | 0.050 | 1.000 | 0.250 | 1.750 | [PDF] | [.stp] | ||
SLSS06175-R | Right handed (Male) | NO | 0.050 | 1.000 | 0.250 | 1.750 | [PDF] | [.stp] | ||
Steel, Zinc Plated | ||||||||||
Part # | Holes | Leaf Thickness | Width | Pin Diameter | Length | Drawings | CAD | |||
SLPS06175-I-RM | Right Male Recessed Pin | NO | 0.050 | 1.000 | 0.250 | 1.750 | [.stp] | |||
SLPS06175-I-LM | Left Male Recessed Pin | NO | 0.050 | 1.000 | 0.250 | 1.750 | [.stp] | |||
SLPS06175-I-LF | Left Female | NO | 0.050 | 1.000 | 1.750 | [.stp] |

QUICK RELEASE HINGE, WITH HOLES

There is a single knob which pulls towards the center to release the door from the keeper.
All NMT quick release fasteners are manufactured to precise tolerances ensuring end and side play are kept to a minimum.
Open Tab for Product Break Down (QUICK RELEASE HINGE, WITH HOLES)
304 Stainless Steel | ||||||||||
Part # | Holes | Leaf Thickness | Width | Pin Diameter | Length | Drawings | CAD | |||
SLSS06175-I-HRM | Right Male Recessed Pin | YES | 0.050 | 1.000 | 0.250 | 1.750 | [.stp] | |||
SLSS06175-I-HRF | Right Female | YES | 0.050 | 1.000 | 1.750 | [.stp] | ||||
SLSS06175-I-HLM | Left Male Recessed Pin | YES | 0.050 | 1.000 | 0.250 | 1.750 | [.stp] | |||
SLSS06175-L-H | Left handed (Male) | YES | 0.050 | 1.000 | 0.250 | 1.75 | [.stp] | |||
SLSS06175-R-H | Right handed (Male) | YES | 0.050 | 1.000 | 0.250 | 1.75 | [.stp] | |||
Steel, Zinc Plated | ||||||||||
Part # | Holes | Leaf Thickness | Width | Pin Diameter | Length | Drawings | CAD | |||
SLPS06175-I-HRM | Right Male Recessed Pin | YES | 0.050 | 1.000 | 0.250 | 1.750 | [.stp] | |||
SLPS06175-I-HRF | Right Female | YES | 0.050 | 1.000 | 1.750 | [.stp] | ||||
SLPS06175-I-HLM | Left Male Recessed Pin | YES | 0.050 | 1.000 | 0.250 | 1.750 | [.stp] | |||
SLPS06175-I-HLF | Left Female | YES | 0.050 | 1.000 | 1.750 | [.stp] |

QUICK RELEASE HINGE WITH ZINC PLATED FINISH

Removable hinge
Mounted with holes
Open Tab for Product Break Down (QUICK RELEASE HINGE WITH ZINC PLATED FINISH)
Steel, Zinc Plated | ||||||||
Part # | Leaf Thickness | Width | Pin Diameter | Length | Drawings | CAD |